Акции
Корзина
0
X

ЗУБР СКД 5005 50 х 4.8 мм, син. насыщ., кровельный саморез, 1200 шт (4-300310-48-050-5005) 4-300310-48-050-5005

Цена: 3 389 руб
На складе в Екатеринбурге: 9 шт.
Бренд: ЗУБР
Быстрый заказ
Имеются вопросы? Звоните! +7(343) 372-55-72
Полное описание
Отзывы

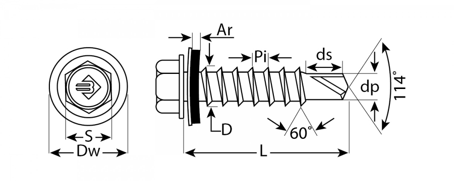
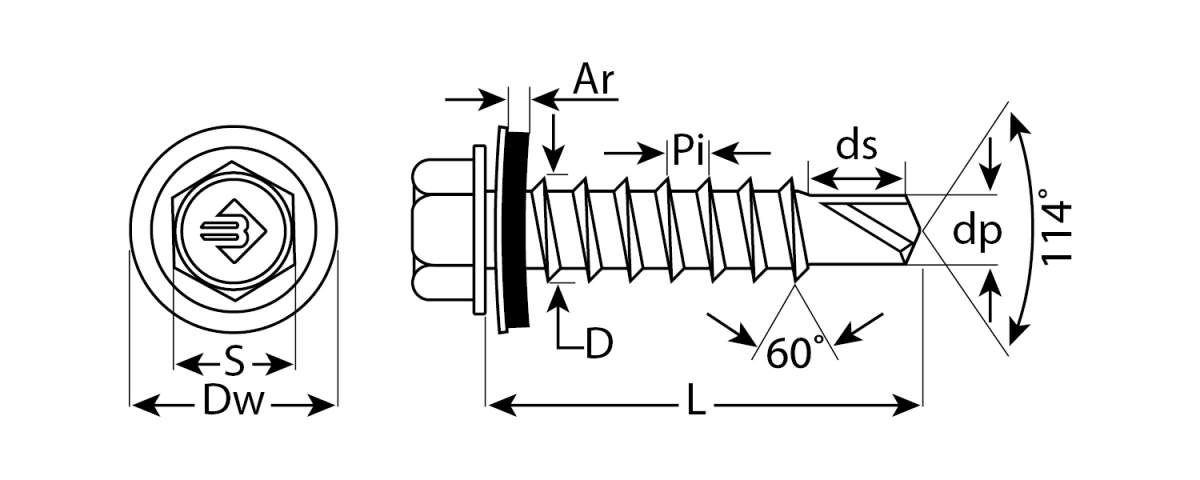
Кровельные саморезы изготовлены из стального прутка с высоким содержанием углерода. Контроль за геометрией самореза начинается с калибровки прутка и заканчивается тщательной проверкой размеров готового изделия. Нормативная твердость стали достигается термической обработкой. Поверхностная твердость мин. 560HV, твердость в сердцевине 240-425HV. Шайба с прокладкой EPDM плотно прижимается к кровельному материалу, герметизируя просверленное отверстие. Шестигранная головка выдерживает большой крутящий момент и значительно облегчает вкручивание самореза. Геометрические размеры: диаметр шайбы (Dw) - 13.90-14.15мм, толщина прокладки (Ar) - 2мм, Размер под ключ (S) - 7.8-7.9мм, диаметр резьбы (D) - 4.75-4.95мм, диаметр сверла (dp) - 2.8-2.9мм, длина сверла (ds) - 4.0-4.8мм, шаг резьбы (Pi) - 2.12мм.

Преимущества

  • Прокладка EPDM сохраняет свои свойства при частых изменениях нагрузок, температуры и воздействии УФ излучения
  • Окраска головки с шайбой выполнена методом порошкового напыления. Cтандарт RAL поможет безошибочно подобрать саморезы под цвет кровельных материалов.
  • Улучшенная геометрия сверла обеспечивает быстроту и легкость сверления в черепице и листовых кровельных материалах
  • Цинковое покрытие надежно защищает от коррозии

Использование

Для крепления кровельных материалов к деревянной обрешетке (металлическим конструкциям)

  • Размеры: 27/22.8/16.5
  • Гарантия: нет
  • Упаковка, шт.: 1200
  • Длина (L), мм: 50
  • Диаметр, мм: 4.8
  • Цвет: RAL 5005
  • Размер под ключ (S), мм: 7.8-7.9
  • Диаметр резьбы (D), мм: 4.75-4.95
  • Шаг резьбы (Pi), мм: 2.12
  • Диаметр сверла (dp), мм: 2.70-2.90
  • Длина сверла (ds), мм: 4.00-5.00
  • Диаметр шайбы (Dw), мм: 13.90-14.15
  • Толщина прокладки (Ar), мм: 2
  • Вес: 8.500000
  • Артикул: 4-300310-48-050-5005
  • Штрих-код: 4606373054266
Пока нет комментариев, Вы можете оставить свой комментарий
Оставить свой комментарий
Отправить